What you’ll learn
- How to create and interpret computer simulations of real-life mathematical models using open-source software
- How epidemics evolve
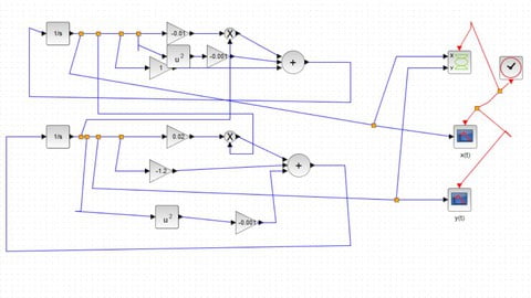
- How the prey-predator model (or Lotka-Volterra model) explains a variety of real-world phenomena
- How the parameters of the model affect results
How to Enroll Computer Simulation of Realistic Mathematical Models course?
How many members can access this course with a coupon?
Computer Simulation of Realistic Mathematical Models Course coupon is limited to the first 1,000 enrollments. Click 'Enroll Now' to secure your spot and dive into this course on Udemy before it reaches its enrollment limits!
